English
Español
Français
Italiano
Facebook
Twitter
Youtube
Eunasa
Log in
Register me
Buscador
Buscador
Filtro
Ordenar
Advanced
search
Exploded view
search
Ordenar resultados
Descripción de producto
A - Z
Z - A
Referencia Eunasa
Ascendente
Descendente
Precio
Del más caro al más barato
Del más barato al más caro
Language EN
Español
Français
Italiano
Exploded views
Downloads
Contact
Your #1 source of spare parts for horeca
Spare parts
Equipment
Accessories
Exploded views
Downloads
Contact
Smart
search
Advanced
search
Exploded view
search
Carimali / UNO
UNO GENERALE
Products
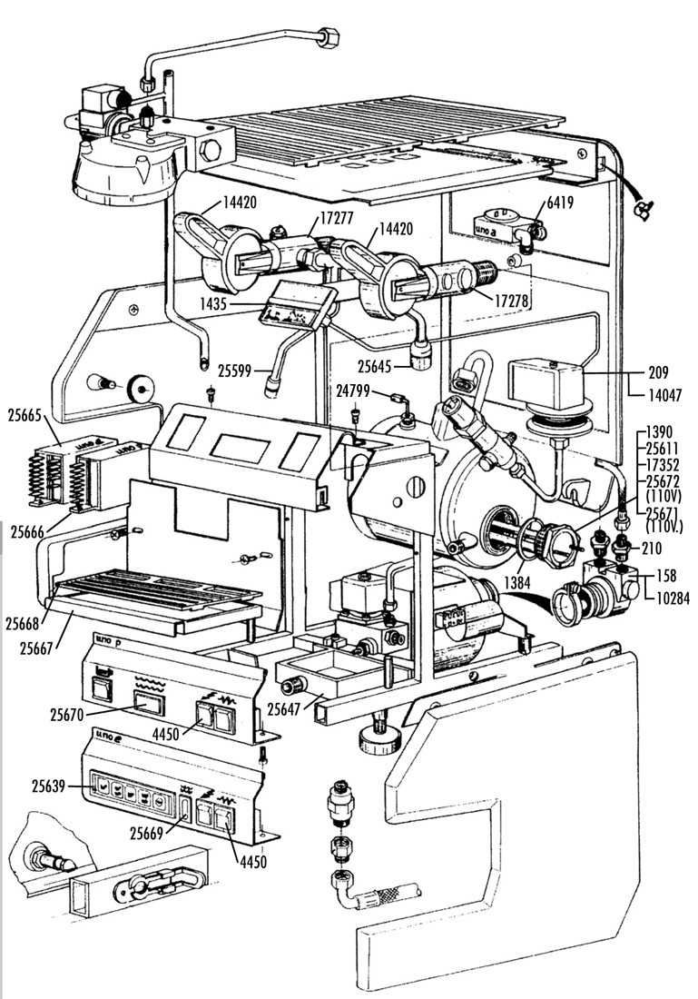
Rotary Vane Pump 140L Rotoflow
Ref:
158
Quantity / Packaging:
1
III-PHASE Pressure Switch 1-4 Gr 30A P302/6
Ref:
209
Quantity / Packaging:
1
Heating Element Gasket Ø43x53x3mm
Ref:
1384
Quantity / Packaging:
1
2 Groups Heating Element 2400W 230V
Ref:
1390
Quantity / Packaging:
1
Manometer 2kg Ø55mm 1/8 61x61
Ref:
1435
Quantity / Packaging:
1
Flowmeter 1/4" With Led
Ref:
6419
Quantity / Packaging:
1
Rotary Vane Pump 165 L/h Hight Temperature Rv
Ref:
10284
Quantity / Packaging:
1
Presostato Tripolar 25A 140ºC 1-4 Grupos
Ref:
14047
Quantity / Packaging:
1
Water Handle
Ref:
14420
Quantity / Packaging:
1
Enitre Steam Tap
Ref:
17277
Quantity / Packaging:
1
Water Tap
Ref:
17278
Quantity / Packaging:
1
3 Groups Heating Element 4500W 230V
Ref:
17352
Quantity / Packaging:
1
Level Probe 1/4" G6
Ref:
24799
Quantity / Packaging:
1
Steam Outlet Pipe Eta Beta
Ref:
25599
Quantity / Packaging:
1
Heating Element 2GR 2000W 230V
Ref:
25611
Quantity / Packaging:
1
Eco Model Dosing Device Membrane
Ref:
25639
Quantity / Packaging:
1
Water Outlet Pipe Eco
Ref:
25645
Quantity / Packaging:
1
Drain Cup Eco
Ref:
25647
Quantity / Packaging:
1
Uno E Model 230V Electronic Box
Ref:
25665
Quantity / Packaging:
1
Uno P 230V Electronic Box
Ref:
25666
Quantity / Packaging:
1
Uno Model 2 Groups Drain Tray
Ref:
25667
Quantity / Packaging:
1
Uno Model 2 Groups Overtray
Ref:
25668
Quantity / Packaging:
1
Pilot Lamp 230V Signal Uno E
Ref:
25669
Quantity / Packaging:
1
Pilot Lamp 230V Uno P
Ref:
25670
Quantity / Packaging:
1
2 Groups Heating Element 110V
Ref:
25671
Quantity / Packaging:
1
3 Groups Heating Element 4500W 110V
Ref:
25672
Quantity / Packaging:
1
message
Yes
No
Close
Send
Price and delivery enquiry