English
Español
Français
Italiano
Facebook
Twitter
Youtube
Eunasa
Log in
Register me
Buscador
Buscador
Filtro
Ordenar
Advanced
search
Exploded view
search
Ordenar resultados
Descripción de producto
A - Z
Z - A
Referencia Eunasa
Ascendente
Descendente
Precio
Del más caro al más barato
Del más barato al más caro
Language EN
Español
Français
Italiano
Exploded views
Downloads
Contact
Your #1 source of spare parts for horeca
Spare parts
Equipment
Accessories
Exploded views
Downloads
Contact
Smart
search
Advanced
search
Exploded view
search
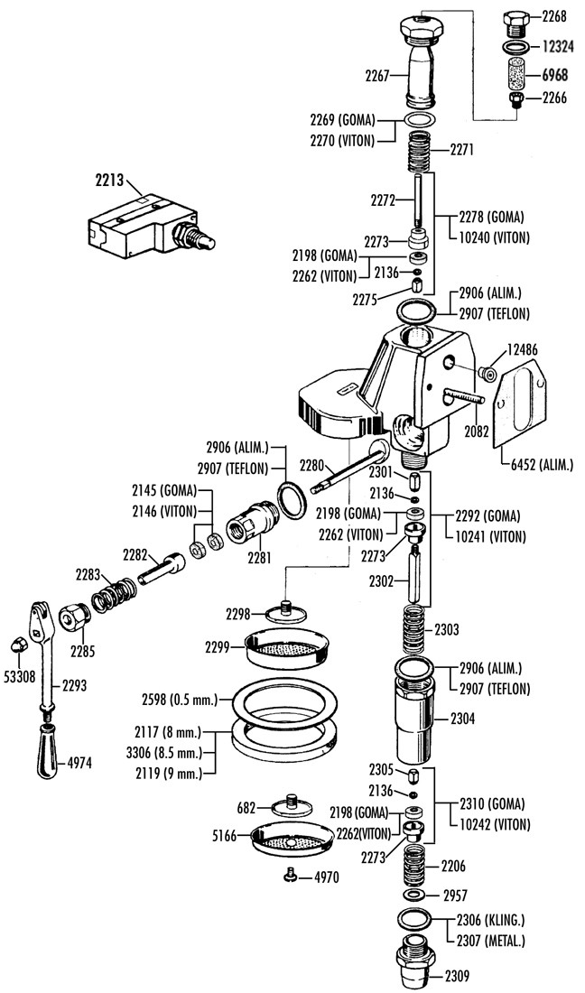
La Pavoni / P6
MANUAL GROUP
Products
Microswitch 10A 250V
Ref:
2213
Quantity / Packaging:
1
Complet Trumpet M30x1.5 M16x1.5 M6 82mm
Ref:
2267
Quantity / Packaging:
1
Chromed Mushroom Cap
Ref:
2268
Quantity / Packaging:
1
Upper Extractor Rod
Ref:
2272
Quantity / Packaging:
1
E-61 Valve Body
Ref:
2273
Quantity / Packaging:
1
Manual Group Cam Rod
Ref:
2280
Quantity / Packaging:
1
Cam Box
Ref:
2281
Quantity / Packaging:
1
Press Cap
Ref:
2282
Quantity / Packaging:
1
Coffee Press Block Cap
Ref:
2285
Quantity / Packaging:
1
Infusion Valve
Ref:
2292
Quantity / Packaging:
1
E-61 Ariete Handle Rod
Ref:
2293
Quantity / Packaging:
1
Square Bolt 5x5mm M4x40mm
Ref:
2302
Quantity / Packaging:
1
Group Collector
Ref:
2304
Quantity / Packaging:
1
Valve Lower Cap
Ref:
2309
Quantity / Packaging:
1
Latch Valve
Ref:
2310
Quantity / Packaging:
1
Steam Pipe Brass Washer Ø13.9x8.3x1mm
Ref:
2957
Quantity / Packaging:
1
Group Long Handle P-6 Pavoni
Ref:
4974
Quantity / Packaging:
1
Pouring Manual Group Valve Viton
Ref:
10240
Quantity / Packaging:
1
Manual Group Infusion Valve
Ref:
10241
Quantity / Packaging:
1
Latch Valve Viton
Ref:
10242
Quantity / Packaging:
1
ST. Steel Blind Nut DIN-1587 Left
Ref:
53308
Quantity / Packaging:
1
message
Yes
No
Close
Send
Price and delivery enquiry