Buscador de productos predictivo
Buscador avanzado
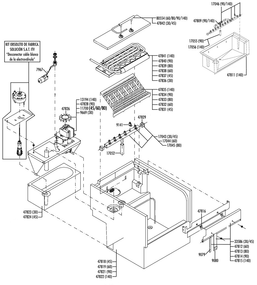
Buscador de despieces
Itv / DELTA DP 60
CIRCUITO HIDRÁULICO
Productos
-
-
-
-
-
-
-
-
-
-
-
-
-
-
-
-
-
-
-
-
-
-
Cuba Stock Fabricador Hielo Delta 60
- Ref: 47819
- Cantidad / Embalaje: 1
-
-
-
Cuba Aislamiento Delta 45
- Ref: 47824
- Cantidad / Embalaje: 1
-
-
-
-
Rejilla Expulsora Cubito Delta 45
- Ref: 47831
- Cantidad / Embalaje: 1
-
-
-
-
-
-
-
-
-
-
-
-
Español
Français
English
Italiano

