Español
Français
English
Italiano
Facebook
Twitter
Youtube
Eunasa
Acceder
Registrarme
Buscador
Buscador
Filtro
Ordenar
Buscador
avanzado
Buscador de
despieces
Ordenar resultados
Descripción de producto
A - Z
Z - A
Referencia Eunasa
Ascendente
Descendente
Precio
Del más caro al más barato
Del más barato al más caro
Idioma ES
Français
English
Italiano
Despieces
Descargas
Contacto
Tu proveedor #1 de recambios para hostelería
Recambios
Maquinaria
Accesorios
Despieces
Descargas
Contacto
Buscador de productos
predictivo
Buscador
avanzado
Buscador de
despieces
Silanos / F19
LAVADO - ACLARADO
Productos
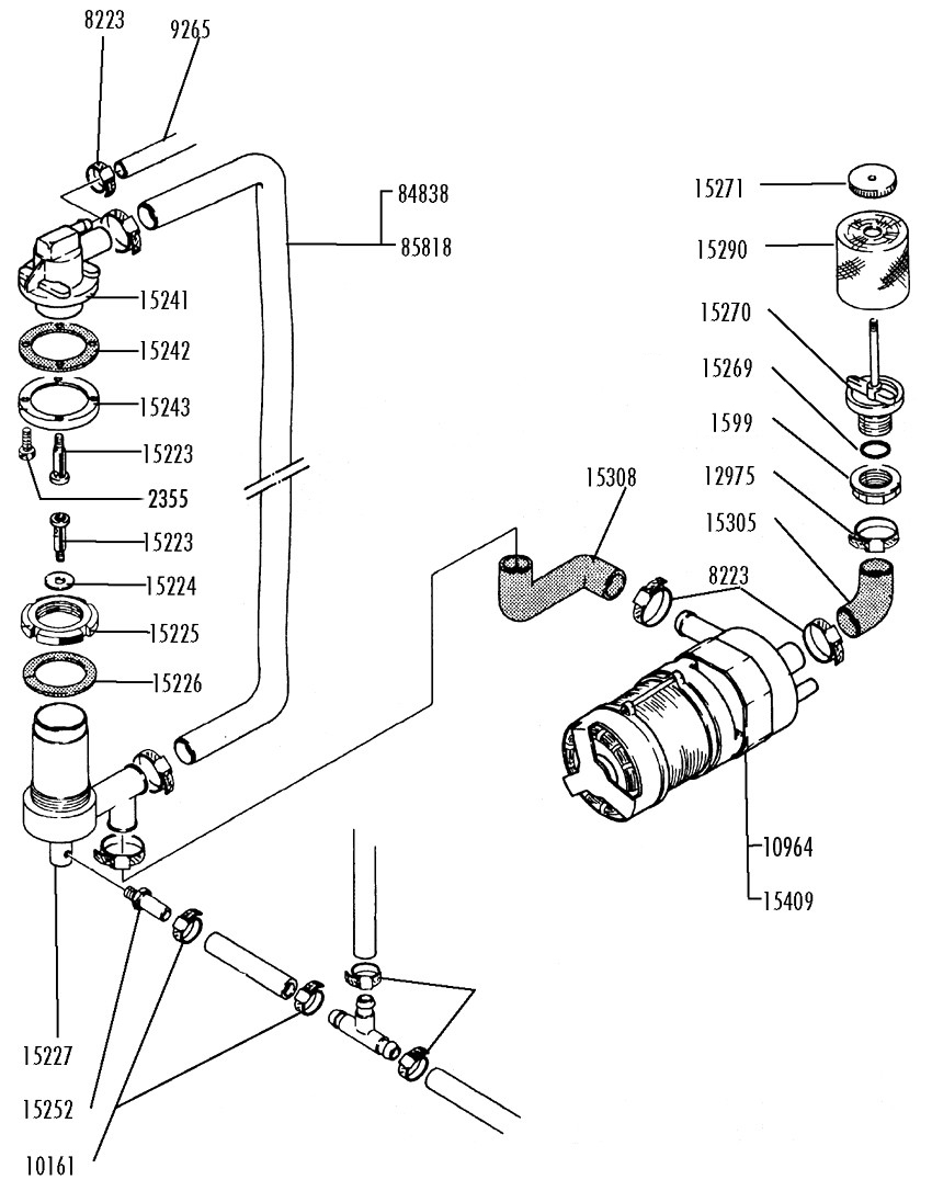
Tuerca Racor 1"¼ Plástico
Ref:
1599
Cantidad / Embalaje:
1
Manguera Goma Ø17x8mm Presión 20bar (1 metro)
Ref:
9265
Cantidad / Embalaje:
1
Bomba Lavado 230V 0.20kW
Ref:
10964
Cantidad / Embalaje:
1
Soporte Brazo Aclarado F19/19A/22
Ref:
15223
Cantidad / Embalaje:
1
Arandela Soporte Aclarado F19/19A
Ref:
15224
Cantidad / Embalaje:
1
Tuerca Sujeción Aclarado 1"½
Ref:
15225
Cantidad / Embalaje:
1
Junta Plana Ø60x47x3mm Goma
Ref:
15226
Cantidad / Embalaje:
1
Soporte Inferior Giratorio Lavado F19/22/27
Ref:
15227
Cantidad / Embalaje:
1
Soporte Superior Giratorio Lavado F19/19A/22
Ref:
15241
Cantidad / Embalaje:
1
Junta Soporte Superior Ø90x57x3mm 4 Taladros
Ref:
15242
Cantidad / Embalaje:
1
Aro Soporte Lavado Superior
Ref:
15243
Cantidad / Embalaje:
1
Junta Epdm Ø41.28x3.53mm
Ref:
15269
Cantidad / Embalaje:
1
Soporte Filtro AMBRA/SVELTINA
Ref:
15270
Cantidad / Embalaje:
1
Tuerca Filtro
Ref:
15271
Cantidad / Embalaje:
1
Filtro Aspiracion Plastico Ø75x55mm
Ref:
15290
Cantidad / Embalaje:
1
Manguito Aspiracion SVELTINA/024/030/R
Ref:
15305
Cantidad / Embalaje:
1
Bomba Lavado 0.41kW 230V 1.8A 50Hz
Ref:
15409
Cantidad / Embalaje:
1
Distribuidor Lavado E40/F27A
Ref:
84838
Cantidad / Embalaje:
1
Distribuidor Lavado F19/F22
Ref:
85818
Cantidad / Embalaje:
1
message
Sí
No
Cerrar
Enviar
Consultar precio y plazo